DWYK智能型水溫水位控制儀
- 產品品牌 鼎興
- 產品型號 DWYK
- 產品描述
智能型水溫水位控制儀可監測和控制液位,水溫水位控制儀由恒溫智能控制儀和液位智能控制儀的組合。...
一、概述
智能型水溫水位控制儀是本公司技術人員根據用戶的實際需要,開發的一種新型控制裝置,它是由恒溫智能控制儀和液位智能控制儀兩者組合而成,兼備了兩者的優點,使水溫及水位得到顯示與控制,節水、節能,進一步增加了系統的安全性,在熱媒不需回收的熱水制備系統中,采用旋轉式消聲加熱器為核心設備,配以水溫水位控制儀,不失為一種較為合理的選擇。
二、型號編制

三、結構及工作原理
1、結構:
水溫水位控制儀由溫控器部分與水位控制部分組成,與其配套的還有電動閥前的減壓裝置,及用于加熱的旋轉式消聲加熱器。
2、原理:
容器內的水位傳感器,將感受到的水位信號傳送到控制器,控制器內的計算機將實測的水位信號與設定信號進行比較,得出偏差,然后根據偏差的性質,向給水電動閥發出“開”“關”的指令,保證容器達到設定水位。進水程序完成后,溫控部份的計算機向供給熱媒的電動閥發出“開”的指令,于是系統開始對容器內的水進行加熱。到設定溫度時。控制器才發出關閥的命令、切斷熱源,系統進入保溫狀態。程序編制過程中,確保系統在沒有達到安全水位的情況下,控制熱源的電動調節閥不開閥,從而避免了熱量的損失與事故的發生。
3、特點:
2、編制較為科學的控制程序,保證了系統的安全。
3、數字顯示直觀明了,操作簡單方便。
四、使用范例

4、水位傳感器 8、供汽電動閥 12、截止閥
注意點:
1、在加熱器前端須裝止回閥,以防止停汽時,產生虹吸現象,使水箱中的熱水倒流至蒸汽管道。
2、當蒸汽壓力 ≥ 3Kg時,電動閥前須裝減壓閥,方可保證其它用汽單位有足夠的蒸汽供給。

15 、溫度傳感器 16 、水位傳感器 17 、止回閥 18 、補水泵
在集中供熱的循環系統中,通過控制安裝在市網供熱末端的電動調節閥開度,來調節流入熱交換器內的熱媒流量,使采暖水的溫度得到控制。安裝在軟水箱內的水位傳感器把即時水位信號傳到智能控制器,控制器將該信號與設定信號進行比較得出偏差,根據差值的大小及性質向補水泵發出開啟的指令,保證循環系統內水的損失得到及時準確的補給。
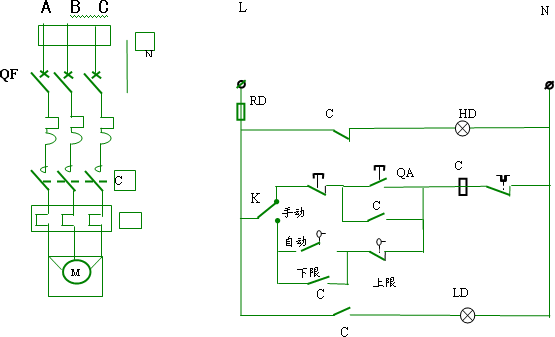
水位控制信號控制補水泵的電氣原理圖:

五、訂貨須知
1、訂貨時請注明電動調節閥型號、公稱通徑、材質、耐壓值、介質溫度、反饋信號種類。
2、說明采用的水位控制儀種類:控制的范圍,所控制水泵的功率、控制回路電壓。
3、控制熱交換器的種類,蒸汽(高溫水)入口與熱水出口的公稱通徑大小。










陜公網安備 61010402000001號