AC-808系列恒溫控制器
更新:2017-8-3 17:11:16 點擊:
- 產品品牌 鼎興
- 產品型號 AC808
- 產品描述
AC808系列數字恒溫器適用于風機盤管、電動閥、電動風閥、電動風口及供熱設備的溫度控制。...
產品介紹
一、產品概況
AC808系列數字恒溫器適用于風機盤管、電動閥、電動風閥、電動風口及供熱設備的溫度控制。采用特大屏幕液晶顯示,通過溫控器內部的NTC(負溫度系數)溫度傳感器,檢測出室內溫度,并實時地與用戶所設定溫度進行比較,自動調節冷暖氣的進氣量和開啟或關閉管道電動閥,達到保持室內恒溫的目的。
二、產品特點
1、特大屏幕液晶顯示,蘭色或橙色背光自由選擇。
2、時尚外觀設計,家電化操作界面,檔次豪華美觀。
3、液晶屏幕同時精確顯示房間溫度和所希望的溫度。
4、室溫較正補償功能(通過面板按鍵直接實現)。
5、時鐘顯示功能,多種模式自由選擇。
6、具備紅外遙控接口,選配遙控器實行遙控。
三、產品功能
1、一周時間可編程溫度設定,分時段定時開/關機功能(選配)。
2、睡眠功能(選配),房間溫度舒適,經濟省電節能。
3、常閉常開點無源接口信號輸出,可實現主機聯動。
4、斷電數據記憶,斷電后來電恢復工作。
5、風機風速可以自動控制,也可以手動控制。
6、網絡型溫控氣可實現通信功能,配套計算機監控系統。
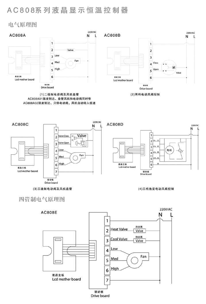
四、電氣原理圖

更多產品










陜公網安備 61010402000001號