用途:
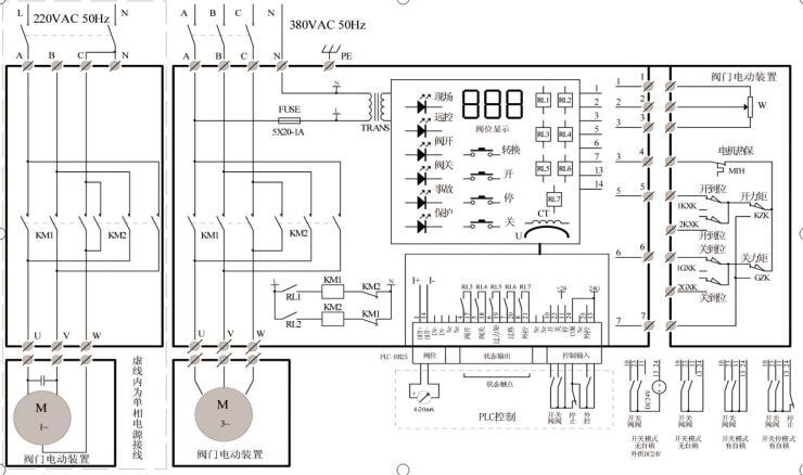
BFC型控制器是在原有控制器基礎上,根據自動控制系統對電動閥門控制要求而開發生產的一種新型產品。該產品除保留原有控制器的全部功能外,新增加了帶PLC計算機接口。在自控系統中計算機、PLC或自動化儀表(以下統稱PLC)可通過此接口得到電動閥門的工作狀態(無源觸點)信號、電動閥門的閥位開度(4-20mA)電流信號,也可以通過這個接口發出“開閥”“關閥”(無源觸點)信號,控制電動閥門的運動。由于PLC接口的加入,使含有電動閥門的自控系統提高了通用性、可靠性和抗干擾能力。


特點:
1.開度數字顯示,零點滿度自動設定。閥開、閥關、現場/遠控、力矩/保護LED顯示。
2.按鍵音提示;開、關向出力矩保護及事故(電機過電流、電機過熱、堵轉等)保護聲光報警(帶消音功能)。
3.開、關向工作過程閃光提示。
4.電源相序自動邏輯校正。
5.上位控制裝置可透過PLC接口,以位式控制電動閥門的開與關。
6.外形及安裝尺寸、外電路接線與前期產品完全兼容利于老用戶產品更新換代。
型號控制電流(A)
型號: BFC--1 電流范圍(A): I<1
BFC--2 I<5
BFC--3I I<10
BFC-4 I<15

主要技術特性:
1.電源電壓:220V/50Hz 單相
380V/50Hz 三相四線
2.輸入信號:位式 (無源觸點)
1=ON;0=OFF
3.控制電流:見表
4.輸出:4 -20mA閥門位置電流精度1%,負載能力600Ω
5.工作環境:
● 環境溫度:-10~+40℃
相對濕度:≤80%(20±5℃)
● 周圍不含有強腐蝕性、易燃易爆介質
6.外型尺寸如圖:屏裝開孔尺寸:152+1mm×76+1mm

安裝與調整:
●原則:
1.安裝人員必須持有電工安全操作證,按有關規范安裝。
2.機箱內部有高壓,務必接妥PE保護接地端,非專業人員請勿帶電拆拆卸機箱。

●安裝:
1.首先必須保證電動裝置機械部分已經調試完并且能正常工作。 有關電動裝置機械部分的調試請見相關使用說明書。
2.將您選購的控制器按圖將其安裝固定好。
3.用電纜按參照本說明書所附電原理圖將控制器端子和電動裝置的端子連接起來。
4.把三相電源分別接到A、B、C、N端子上。
5.確認接線無誤后,接通電源,檢查控制器是否設置在“現場”狀態。如果不是請按動轉換將控制器設置為“現場”狀態。用手輪將電動閥門開啟至約50%開度。
6.控制器具有電源相序自動邏輯校正功能。控制器初次通電時按動開閥按鍵電動裝置運行有兩種可能:一種可能是按正確方向運行,閥開指示燈閃亮,電動裝置開向運行直至全開位置停止,閥開指示燈常亮。開度顯示自動設定為100%。按動關閥按鍵電動裝置關向運行,閥關指示燈閃亮,電動裝置關向運行直至全關位置停止,閥關指示燈常亮,開度顯示自動設定為0%。另一種可能是按錯誤方向運行,雖然閥開指示燈閃亮,但是電動裝置關向運行直至全關位置停止,閥關指示燈常亮,開度顯示自動設定為0%。此時控制器自動邏輯校正電源相序3秒鐘后電動裝置將自動向開向運行閥開指示燈閃亮,電動裝置開向運行直至全開位置停止,閥開指示燈常亮。開度顯示自動設定為100%?刂破鞒醮瓮姇r按動關閥按鍵電動裝置運轉過程同上只是運行方向相反。至此控制器與電動裝置的安裝調試完畢。邏輯相序校正功能只能用在調試過程中,如果相應的閥門很重要建議人工調整相序!
7.電動裝置在開向或關向運行中,按動停按鍵電動裝置將停止在此及時位置。在電動裝置靜止狀態時按動此鍵為消音。
8.按動轉換將控制器設置為“遠控”工作狀態或PLC通過PLC接口置控制器為外控,檢查外控狀態的工作(必須是無源接點28V AC /100mA)。
9.每臺控制器配電應配備一臺空氣開關。
10.電裝廠家的控制電路不盡相同,但是在本控制器中通過端子接線的不同組合均可(訂貨說明)得到解決。
PLC標準接口:












陜公網安備 61010402000001號